The principle of SCR denitrification
SCR (selective catalytic reduction) technology is used to spray the reductant (ammonia or ammonia) into the SCR reactor at a temperature range of 300~420 C under the presence of catalyst and oxygen, and to selectively reduce the NOx in the exhaust gas to N2 and H2O to reduce NOx.

The main reactions are as follows:
4NO+4NH3+O2=4N2+6H2O
4NH3+2NO2+O2=3N2+6H2O

SCR denitrification system consists of:
The SCR denitrification system mainly includes the reducing agent storage system, the reducing agent delivery / metering system, the reactor and the external frame structure, the denitrification catalyst, the soot blower box and the electronic control system, etc.

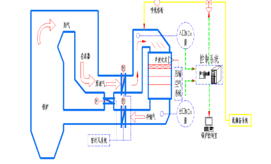
The SCR denitrification reactor fully considers the characteristics of various boiler systems and uses unique layout methods to remove the nitrogen oxides in the flue gas efficiently and stably. It can minimize the blockage, wear and toxicity of the dust to the catalyst, increase the service life of the catalyst, and reduce the operating cost, which can carry different loads. Type of catalyst. The new catalyst has the characteristics of high activity, high denitrification efficiency, high denitrification efficiency, strong anti - toxic property, long service life and so on, with ultrafine TiO2 as base material, vanadium oxide as active component, tungsten and molybdenum oxide as additives. The typical SCR denitrification process flow chart is as follows:

Denitrification catalyst:
The catalyst on the SCR denitration system promotes the chemical reaction of the reducing agent selectively with the nitrogen oxides in the flue gas at a certain temperature in the SCR reaction. At present, SCR catalysts are basically based on TiO2, V2O5 as the main active ingredient, WO3 and MoO3 as antioxidant and anti toxic auxiliary ingredients.
Denitrification catalyst monomer

Denitrification catalyst module
